The specific requirements for heating, ventilation and air conditioning are different for each cleanroom. Therefore, a standard system for climate control is never adequate. Do you also need a customized HVAC design? Are you having problems with your current system? We are happy to come up with a solution!

 
 

Energy optimization

Cleanrooms usually run at a comparatively high energy consumption. The analysis and advice of our experts can lead to a substantial reduction of annual energy consumption.

CCG_Tiofarma209_mark.jpg
 
17-10-2019 15-55-58.png
 

Bringing our experience in climate control to effect

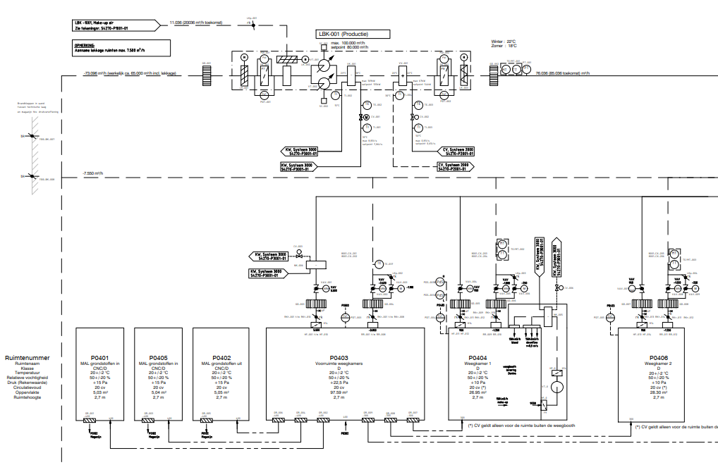
As a specialist in the field of contamination control, we utilize the air flow design concepts in the most basic form whenever possible.

Using the latest insights in design calculations and exploiting the flow / pressure cascade concepts at full, we provide reliable and efficient operating cleanrooms. This applies to custom designed HVAC systems for cleanrooms both in new and existing situations.


 
 

HVAC problem solving

Fluctuating values. Incorrect measurement results. Adjustments that do not produce the desired result. There is a good chance that we can solve it. Often we can fix the problems by simply making better use of the possibilities of the existing installation. Otherwise, you can have us design (and, if desired, realize) a new system which does produce the required results.

 
 
 
 
 

How may we help you?

Contact us
 

Latest blogs